| 
 | 公司基本資料信息 
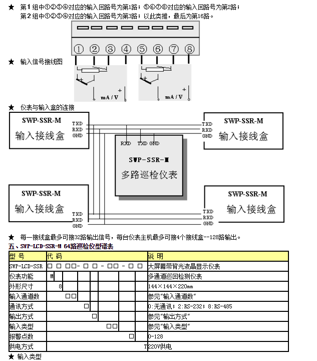
 | |||||||||||||||
SWP-LCD-SSR-M智能化64路巡檢儀是一種智能化多功能二次儀表,適合于對多輸入回路進行巡回檢測,報警控制及數據遠傳。
一、儀表特點
1、設計上吸納了當今電腦的結構思路,硬件上采用內帶快閃存儲器的新型微處理器,軟件上引入中文WINDOWS的框架思路。
2、在人機操作與觀察界面上都對傳統(tǒng)的儀表做了挑戰(zhàn)性的改革,以中文菜單引導組態(tài)操作,以集中或分頁畫面顯示各通道的測量及報警結果,簡潔直觀地給人以"智能"的感受。
3、可接受多達64路同類型或不同類型被測輸入信號,根據用戶設定要求完成從信號采集,數據顯示,報警狀態(tài)及數據傳送的全過程。
二、儀表主要技術參數
 
     
   
  
SWP-LCD-SSR-M816-22-09-16-T,
SWP-LCD-SSR-M816-00,SWP-LCD-SSR-M816-01,SWP-LCD-SSR-M816-02,SWP-LCD-SSR-M816-03,SWP-LCD-SSR-M816-04
SWP-LCD-SSR-M816-20,SWP-LCD-SSR-M816-21,SWP-LCD-SSR-M816-22,SWP-LCD-SSR-M816-23,SWP-LCD-SSR-M816-24
SWP-LCD-SSR-M816-80,SWP-LCD-SSR-M816-81,SWP-LCD-SSR-M816-82,SWP-LCD-SSR-M816-83,SWP-LCD-SSR-M816-84
SWP-LCD-SSR-M832-00,SWP-LCD-SSR-M832-01,SWP-LCD-SSR-M832-02,SWP-LCD-SSR-M832-03,SWP-LCD-SSR-M832-04
SWP-LCD-SSR-M832-20,SWP-LCD-SSR-M832-21,SWP-LCD-SSR-M832-22,SWP-LCD-SSR-M832-23,SWP-LCD-SSR-M832-24
SWP-LCD-SSR-M832-80,SWP-LCD-SSR-M832-81,SWP-LCD-SSR-M832-82,SWP-LCD-SSR-M832-83,SWP-LCD-SSR-M832-84
SWP-LCD-SSR-M848-00,SWP-LCD-SSR-M848-01,SWP-LCD-SSR-M848-02,SWP-LCD-SSR-M848-03,SWP-LCD-SSR-M848-04
SWP-LCD-SSR-M848-20,SWP-LCD-SSR-M848-21,SWP-LCD-SSR-M848-22,SWP-LCD-SSR-M848-23,SWP-LCD-SSR-M848-24
SWP-LCD-SSR-M848-80,SWP-LCD-SSR-M848-81,SWP-LCD-SSR-M848-82,SWP-LCD-SSR-M848-83,SWP-LCD-SSR-M848-84
SWP-LCD-SSR-M864-00,SWP-LCD-SSR-M864-01,SWP-LCD-SSR-M864-02,SWP-LCD-SSR-M864-03,SWP-LCD-SSR-M864-04
SWP-LCD-SSR-M864-20,SWP-LCD-SSR-M864-21,SWP-LCD-SSR-M864-22,SWP-LCD-SSR-M864-23,SWP-LCD-SSR-M864-24
SWP-LCD-SSR-M864-80,SWP-LCD-SSR-M864-81,SWP-LCD-SSR-M864-82,SWP-LCD-SSR-M864-83,SWP-LCD-SSR-M864-84