| 
 | 公司基本資料信息 
 | |||||||||||||||
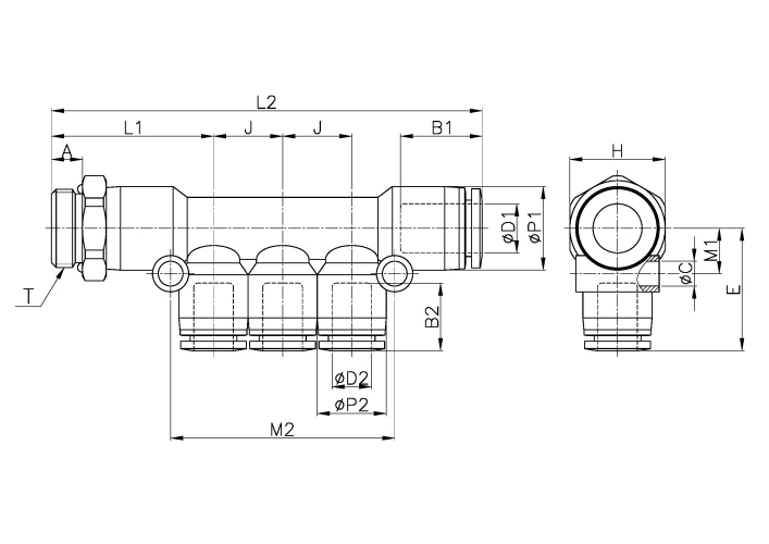
PKD0604-G01,PKD0804-G01,PKD0806-G01,PKD1006-G02,PKD1008-G02,快插式管接頭
PKD1006-G03,PKD1008-G03,PKD0804-G02,PKD0806-G02,
 
| Model | ∅D1 | ∅D2 | ∅P1 | ∅P2 | T | L1 | L2 | E | ∅C | A | B1 | B2 | J | M1 | M2 | H(Hex) | ORIFICE | WEIGHT(g) | EA(BOX) | 
| PKD0604-G01 | 6 | 4 | 12.5 | 10.5 | G 1/8 | 27.1 | 69.1 | 19.5 | 3.3 | 5 | 16.4 | 14.8 | 10.5 | 7.6 | 34 | 14 | 3 | 25 | 25 | 
| PKD0804-G01 | 8 | 4 | 14.5 | 10.5 | G 1/8 | 27.9 | 71.1 | 20.7 | 4.3 | 5 | 18.3 | 14.8 | 10.5 | 9.2 | 34.8 | 14 | 3 | 24.1 | 25 | 
| PKD0804-G02 | 8 | 4 | 14.5 | 10.5 | G 1/4 | 29.9 | 73.1 | 20.7 | 4.3 | 6.5 | 18.3 | 14.8 | 10.5 | 9.2 | 34.8 | 17 | 3 | 30 | 25 | 
| PKD0806-G01 | 8 | 6 | 14.5 | 12.5 | G 1/8 | 28.9 | 77.1 | 22.2 | 4.3 | 5 | 18.3 | 16.4 | 12.5 | 9.3 | 41.1 | 14 | 5 | 27.8 | 25 | 
| PKD0806-G02 | 8 | 6 | 14.5 | 12.5 | G 1/4 | 30.9 | 79.1 | 22.2 | 4.3 | 6.5 | 18.3 | 16.4 | 12.5 | 9.3 | 41.1 | 17 | 5 | 33 | 25 | 
| PKD1006-G02 | 10 | 6 | 17.5 | 12.5 | G 1/4 | 33.9 | 85.6 | 22.8 | 4.3 | 6.5 | 20.2 | 16.4 | 12.5 | 9.5 | 41.7 | 17 | 5 | 35.3 | 25 | 
| PKD1006-G03 | 10 | 6 | 17.5 | 12.5 | G 3/8 | 33.4 | 85.1 | 22.8 | 4.3 | 6.5 | 20.2 | 16.4 | 12.5 | 9.5 | 41.7 | 20 | 5 | 42 | 20 | 
| PKD1008-G02 | 10 | 8 | 17.5 | 14.5 | G 1/4 | 34.5 | 90.9 | 25.7 | 4.3 | 6.5 | 20.2 | 18.3 | 14.5 | 9.5 | 47 | 17 | 6.8 | 38.3 | 20 | 
| PKD1008-G03 | 10 | 8 | 17.5 | 14.5 | G 3/8 | 34 | 90.4 | 25.7 | 4.3 | 6.5 | 20.2 | 18.3 | 14.5 | 9.5 | 47 | 20 | 6.8 | 46 | 20 | 
外形尺寸
