| ● 單向閥接頭 | |||||||||||||||||||||||||||||||||||||||
| JB/ZQ4573-86 逆向接頭 正向接頭 | |||||||||||||||||||||||||||||||||||||||
|  | |||||||||||||||||||||||||||||||||||||||
| 
 | |||||||||||||||||||||||||||||||||||||||
| 標記示例:連接螺紋為Rc1/4的逆向單向閥接頭 單向閥接頭Rc1/4-N ZY434.2.00 連接螺紋為Rc1/4的正向單向閥接頭 單向閥接頭Rc1/4-E ZY434.1.00 | |||||||||||||||||||||||||||||||||||||||
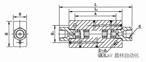
| ● 雙向逆止閥接頭 | |||||||||||||||||||||||||||||||||||||||
|  | |||||||||||||||||||||||||||||||||||||||
| 開啟壓力:0.44MPa;使用介質:潤滑脂NLG0~2#。 | |||||||||||||||||||||||||||||||||||||||
| 
 | |||||||||||||||||||||||||||||||||||||||
| 標記示例:雙向逆止閥接頭Rc3/8 ZY439.2.00 | 
單向閥接頭JB/ZQ4573-86,雙向逆止閥接頭Rc3/8 ZY439.2.00
 客服熱線:
客服熱線: 手機版
 手機版 二維碼
 二維碼



 


 點擊圖片查看原圖
 點擊圖片查看原圖