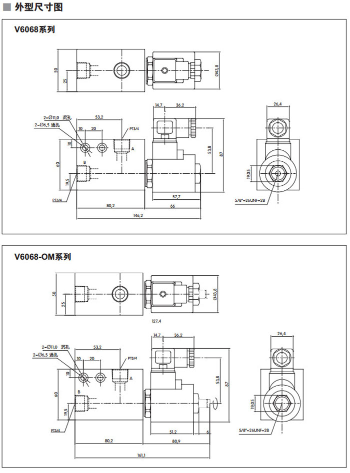
V6068-D12,V6068-D24,V6068-A15,V6068-A25,V6068-D12-NC-TW-OM,V6068-A25-NO,管式無泄漏閥


V6068-D24-NC,V6068-A15-NC-TW-OM,V6068-A15-NC-OM,V6068-A15-NC-TW,V6068-A15-NC,V6068-A25-NC-TW-OM,
V6068-A25-NC-OM,V6068-A25-NC-TW,V6068-A25-NC,V6068-D12-NO-TW-OM,V6068-D12-NO-OM,V6068-D12-NO-TW,
V6068-D12-NO,V6068-D24-NO-TW-OM,V6068-D24-NO-OM,V6068-D24-NO-TW,V6068-D24-NO,V6068-A15-NO-TW-OM,
V6068-A15-NO-OM,V6068-A15-NO-TW,V6068-A15-NO,V6068-A25-NO-TW-OM,V6068-A25-NO-OM,V6068-A25-NO-TW,


