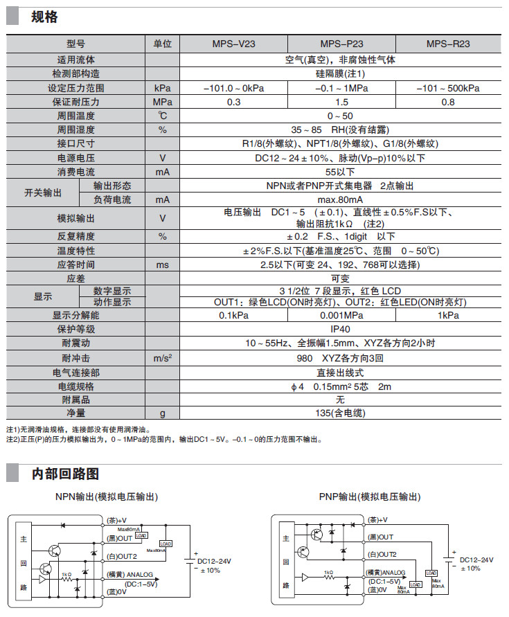
MPS-V23R-NGA,MPS-P23N-NGA,MPS-R23G-NGA,MPS-V23R-PGA,壓力傳感器




MPS-P23R-NGA,MPS-R23R-NGA,MPS-V23N-NGA,MPS-R23N-NGA,
MPS-V23G-NGA,MPS-P23G-NGA,MPS-P23C-NGA,MPS-R23C-NGA,
MPS-V23C-NGA,MPS-P23N-PGA,CCLAIR,MPS-R23G-PGA,MPS-V23C-PGA,
MPS-P23R-PGA,MPS-R23R-PGA,MPS-V23N-PGA,MPS-R23N-PGA,
MPS-V23G-PGA,MPS-P23G-PGA,MPS-P23C-PGA,MPS-R23C-PGA,
 客服熱線:
客服熱線: 手機(jī)版
 手機(jī)版 二維碼
 二維碼
 

 


 點(diǎn)擊圖片查看原圖
 點(diǎn)擊圖片查看原圖